异步电机起动/发电系统起动技术的研究

1.无需注册登录,支付后按照提示操作即可获取该资料.
2.资料以网页介绍的为准,下载后不会有水印.资料仅供学习参考之用.
密 惠 保
异步电机起动/发电系统起动技术的研究(任务书,开题报告,外文翻译,论文18000字,Matlab模型)
摘 要
随着电机控制技术和电力电子技术快速发展,由电力电子变换器控制的异步电机实现起动/发电双功能已有可能实现。该双功能系统正日益成为现代先进机载电气设备的一个重要发展方向。采用异步电机起动/发电双功能系统作为汽车、飞机、坦克战车、轮船等运动载体的电源系统正成为当今国际上的一个研究热点。
具有高动态性能调速系统的直接转矩控制技术在近二十年来继矢量控制技术之后发展起来了。直接转矩控制强调对转矩和磁链的直接控制,不需要复杂的坐标变换,控制方便且具有较快的动静态响应速度,它极大地改进了矢量控制所存在的弊端,所以得到了越来越广泛的重视。
本文对异步电机的起动发电过程进行了仿真研究。并且在起动发电过程中采用了直接转矩控制的策略。
直接转矩控制的大体思路是根据电磁转矩偏差和定子磁链幅值偏差的正负号,同时又结合定子磁链矢量当前所在的扇区,选取正确的空间电压矢量,来减小电磁转矩的偏差和定子磁链幅值的偏差,实现对定子磁链及电磁转矩的控制。
本文后半部分建立了异步电机起动发电的仿真模型,实验结果表明采用上述直接转矩控制策略的感应电机具有良好的动态性能和稳态性能。 [来源:http://think58.com]
关键词:异步电机 起动发电双功能系统 直接转矩控制系统 矢量控制 仿真
Study on Start and Power Generation of Induction Motor
Abstract
With the development of power electronic and motion control technology, the double function starter/generator system which is made of induction machine and power electronic converter can be realized. This system is increasingly becoming an important direction of development of modern advanced airborne electronic equipment. Using induction starter/generator system as power supply system in automobile, plane, tank and steamship is becoming a new international research area.
Speed control system with high dynamic performance of DTC technology has been developed after nearly two decades following the vector control. DTC stresses the direct control of torque and flux. It doesn’t need complicated coordinate transformation. This system is easy to control and has the advantages of high dynamic and static response. It has greatly improved the evils of vector control. The DTC system now has been more widely appreciated. [资料来源:http://think58.com]
In this paper, we take induction motor for example, and have a simulation and research on their starting and generation process. The torque control strategy has mainly been used in the process of starting and generation.
The main design of direct torque control is the magnitude of the stator flux deviation and electromagnetic torque deviation of positive and negative. The correct selection of the voltage space vector depended on current stator flux vector of sector, which can reduce the amplitude of stator flux deviation and electromagnetic torque deviation, realize the control of stator flux and electromagnetic torque.
In this paper we build up a simulation model. Experimental results show that the induction motor which uses the torque control strategy directly can have a good dynamic performance and steady-state performance.
Keywords: induction machine; double function starter/generator system; Direct torque control system; vector control; simulation
[资料来源:http://www.THINK58.com]



目 录
摘 要 I
ABSTRACT II
第一章 绪论 1
1.1课题的研究背景与意义 1
1.2集成起动/发电双功能系统 1
1.2.1集成起动/发电双功能系统的发展历程 2
1.2.2汽车集成起动/发电系统的种类 3
1.2.3异步电机起动/发电系统研究现状和方向 4
1.3交流调速技术的发展 5
1.4文章的研究内容 5
第二章 异步电机起动/发电系统的概述和原理分析 7
2.1异步电机起动/发电系统的概述 7
2.2异步电机起动发电的原理分析 7
2.2.1鼠笼式异步电机的基本结构与形式 7
2.2.2异步电机起动发电的原理 9
第三章 异步电机直接转矩控制 11
3.1直接转矩控制技术 11
3.1.1直接转矩控制技术的产生 11
3.1.2直转矩技术相应的特点 11
3.1.3系统的改进和发展 12
3.2异步电机直接转矩的控制原理 12 [资料来源:http://www.THINK58.com]
3.3数学模型的建立 13
3.3.1坐标变换 14
3.3.2异步电机的数学模型 14
3.3.3逆变器数学模型的建立 16
3.3.4磁链、转矩与空间电压矢量的关系 18
3.3.5异步电机磁链模型的建立 20
3.3.6转矩模型的建立 20
3.3.7调节器的建立 21
3.3.8磁链扇区划分和确定单元 23
3.3.9开关信号选择单元 23
3.3.10逆变器的开关频率调节 24
第四章 异步电机起动发电过程的仿真 25
4.1Matlab介绍 25
4.2电压坐标变换 27
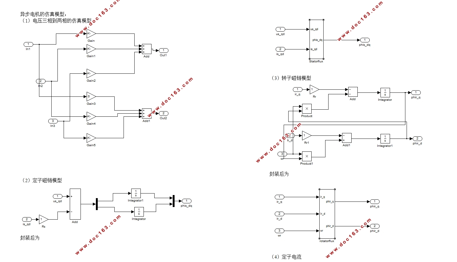
4.3异步电机的仿真模型 27
4.4直接转矩的控制器模型 31
4.5逆变器的模型 34
4.6异步电机DTC控制系统仿真模型 35
4.7异步电机起动发电系统过程直接转矩控制系统的实验仿真结果 35
第五章 结论 38 [来源:http://www.think58.com]
参考文献 39
致谢 41
