履带式起重机桅杆顶升部分结构及液压系统设计(含CAD图)

1.无需注册登录,支付后按照提示操作即可获取该资料.
2.资料以网页介绍的为准,下载后不会有水印.资料仅供学习参考之用.
密 惠 保
履带式起重机桅杆顶升部分结构及液压系统设计(含CAD图)(课题申报表,任务书,开题报告,中期检查表,外文翻译,论文说明书17000字,CAD图纸4张)
STRUCTURE AND HYDRAULIC SYSTEM DESIGN OF MAST LIFTING PART OF CRAWLER CRANE
摘要
作为整个机械设计重要组成部分,液压系统设计在设计中具有非常特殊的地位。作为一种广泛应用于水电、港口、建筑、铁路与石油等其他工程项目中移动式起重机械,履带式起重机主要是行走驱动系统、升降系统、陀螺系统和变幅系统等组成。本设计宗旨是履带式起重机高效率、高功率、高可靠性要求,对起重机升降系统进行全面的数据解析,在此基础上设计起升液压系统回路。
最终表明,针对于定量泵与变量电机组成常的闭式液压系统展开正确的探讨,增大起升系统的安全性,达到起重机重载荷低转速行驶、空载荷高转速节能控制的目的。
关键词 履带式起重机;起升系统;液压系统;液压回路
Abstract
As an important part of the whole mechanical design, the hydraulic system design has a very special position in the design. As a kind of moving lifting machinery widely used in other engineering projects, such as hydropower, port, construction, railway and petroleum, crawler crane is mainly composed of walking drive system, lifting system, gyroscope system and amplitude variable system. The purpose of this design is the high efficiency, high power and high reliability requirements of the crawler crane, and the comprehensive data analysis of the lifting system of the crane. On this basis, the hoisting hydraulic system circuit is designed.
[资料来源:http://THINK58.com]
Finally, it shows that the closed hydraulic system, which is often composed of the quantitative pump and the variable motor, is discussed correctly, and the safety of the lifting system is increased, and the purpose of the crane heavy load and low speed driving and the high speed and high speed energy saving control is achieved.
Keywords crawler crane lifting system hydraulic system hydraulic circuit
起升机构工作原理
电机的运行使用连接电机与高速轴机器让其与减速装置相连,减速器的低速转动轴驱动卷轴、吊钩等捡拾装置和把缠绕在卷轴上的钢丝绳和滑轮组接连起来。
当电机的前进和退后方向传送到滚筒时,钢丝绳被卷轴向不同的方向旋转而取出并拉入。这样,当吊架和吊钩接连到它的上部材料时,就能实现起升和下落,从而将由马达输入的旋转运动转化为吊钩的垂直直线运动。
常闭式制动器在通电时会释放闸门,以便于在发生断电时机械结构还能够运行,并可以让其在所给定的位置上停止运动。在滑轮组升到顶峰处时,触摸起升限位限制器以防挂钩强制上升导致机件损伤。当在负载接近设定好的重量数值时,重量限制器会快速得到反馈,并发出警告的信号。显示出来,然后当超过额定值,立即断开电源,升降机构停止运动,确保起重机的安全。
[资料来源:http://think58.com]




[资料来源:THINK58.com]
目 录
摘要 I
Abstract II
1 绪论 1
1.1履带起重机综述 1
1.1.1国内和先进国家的履带式起重机现状 1
1.1.2履带式起重机液压发展趋势 3
2履带式起重机起升系统 6
2.1履带式起重机组成 6
2.2起升系统结构与功能分析 8
2.3起升液压系统 8
3履带式起重机桅杆起升部分结构 11
3.1起升机构 11
3.1.1起升机构组成 11
3.1.2起升机构工作原理 12
3.2起重机起升机构动力学模型 12
3.2.1创建起升机构动力学模型基本假定 12
3.2.2起升机构动力学模型 13
4起重机起升机构系统模型参数计算 15
4.1质量(转动惯量) 15
4.2刚度 15
4.2.1吊臂 15 [来源:http://think58.com]
4.2.2钢丝绳 16
4.3阻尼系数 17
4.4等效力矩 18
4.5桅杆起升机构液压系统动态仿真 19
4.5.1建立液压系统数学模型 19
4.5.2仿真计算结果和分析 20
5算例(QY20)汽车起重机起升机构 24
5.1起升工况动态仿真 24
5.1.1仿真工况分析 24
5.1.2仿真结果分析 25
5.2仿真工况分析和结果分析 25
6履带式起重机起升液压系统设计 27
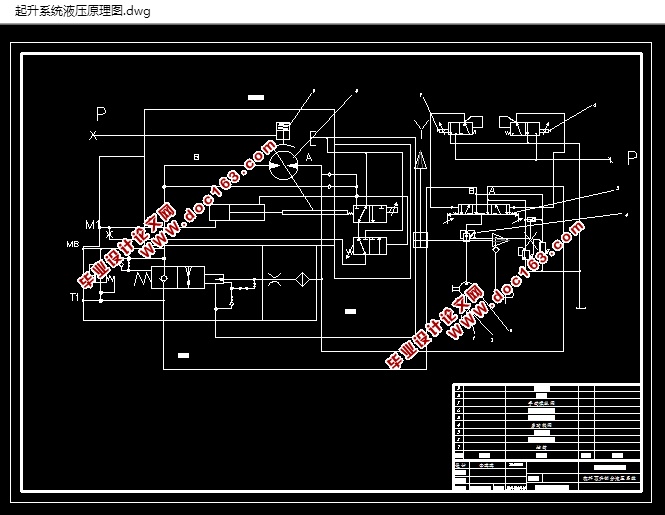
6.1起升液压系统设计及工作原理 27
6.2起升液压系统设计计算 28
6.3液压辅助元件选择 30
6.3.1油路的通径 30
6.3.2油箱选择 31
结论 33
致谢 34
参考文献 35
