直角坐标机械臂搬运控制系统设计(西门子S7-1200,含CAD图)

1.无需注册登录,支付后按照提示操作即可获取该资料.
2.资料以网页介绍的为准,下载后不会有水印.资料仅供学习参考之用.
密 惠 保
直角坐标机械臂搬运控制系统设计(西门子S7-1200,含CAD图)(任务书,开题报告,论文说明书14500字,CAD图8张)
摘要
在工业自动化生产过程中,机械手发挥了不可替代的作用,在现代制造技术领域中扮演了极其重要的角色,其能自动化定位控制,可重新编程序,并有多个自由度,可用来搬运物体以完成在各个不同环境中工作。
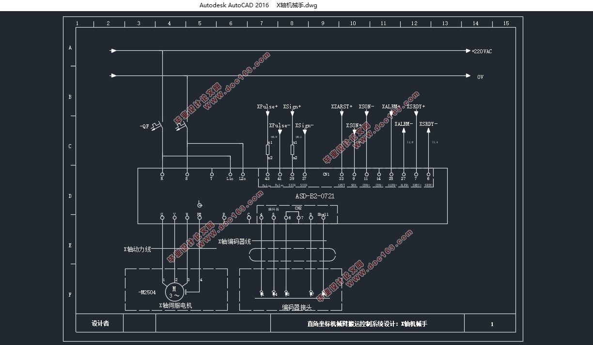
直角坐标机械臂搬运控制系统设计,依据搬运控制系统的具体要求,采用PLC作为控制器,通过对伺服驱动器的控制驱动伺服电机,完成机械臂的平移、升降等动作。系统硬件设计着重于硬件选型和电路设计,软件设计则完成系统工作流程图和程序的编写。其中,依据系统I/O口的数据类型和端口数量完成控制器选型,依据功率大小和设备特点完成伺服驱动器选型,依据系统流程图完成程序编写。在对系统进行调试的过程中,发现设计不足的地方并加以改进,最终完成了直角坐标机械臂搬运控制系统设计,满足设计要求。
关键词:直角坐标;搬运控制系统;PLC;伺服驱动器
Abstract
Intheprocessofindustrialautomationproduction, themanipulatorplaysanirreplaceableroleandplaysanextremelyimportantroleinthefieldofmodernmanufacturingtechnology. Itcanautomaticallylocateandcontrol, reprogram, andhavemanydegreesoffreedom, whichcanbeusedtocarryobjectstocompleteworkindifferentenvironments. [资料来源:http://THINK58.com]
Cartesiancoordinatemanipulatorhandlingcontrolsystemdesign, accordingtothespecificrequirementsofthehandlingcontrolsystem, theuseofPLCasacontroller, throughthecontroloftheservodrivertodrivetheservomotor, completethemanipulatortranslation, liftingandotheractions. Hardwaredesignofthesystemfocusesonhardwareselectionandcircuitdesign, whilesoftwaredesigncompletesthecompilationofsystemworkflowdiagramandprogram. Amongthem, accordingtothedatatypeandthenumberofI/Oports, thecontrollerselectioniscompleted, theservodriverselectioniscompletedaccordingtothepowerandequipmentcharacteristics, andtheprogramiscompletedaccordingtothesystemflowchart. Intheprocessofdebuggingthesystem, thedeficienciesofdesignarefoundandimproved. Finally, thedesignofCartesiancoordinatemanipulatorhandlingcontrolsystemiscompleted, whichmeetsthedesignrequirements.
Keywords: Cartesiancoordinates,;handlingcontrolsystem,;PLC,;servodriv
在本系统中我们采用西门子S7-1200系列PLC作为控制器,对此,西门子有与其对应的控制软件供客户使用,为此发布了一款全集成自动化软件:TIA博途。通过对TIA博途的使用,除了可以完成正常的程序编写以外,在本系统中我们可以利用它独有的“轴”和“命令表”工艺对象进行组态,搭建正确的组态环境,从而可以通过西门子中的运动控制指令对机械臂的轴进行控制,而且通过博图软件,我们可以在虚拟平台中进行在线仿真,极大的节省了人力物力,方便系统调试。 [资料来源:http://think58.com]



目录
第1章 绪论 1 [资料来源:http://think58.com]
1.1 目的及意义 1
1.2 国内外发展现状 1
1.3 机械臂技术综述 3
第2章 方案设计 4
2.1 设计要求 4
2.2 方案选择 5
2.3 方案设计 6
第3章 硬件设计 9
3.1 可编程控制器 9
3.2 控制流程 10
3.2.1 传送带工作流程 10
3.2.2 机械臂工作流程 11
3.3I/O口分配 12
3.4 硬件选型 13
3.4.1PLC选型 13
3.4.2 扩展模块选型 14
3.4.3 伺服驱动器选型 15
3.4.4 常用按钮选型 18
3.5电路设计 19
3.5.1电源回路设计 19
3.5.2伺服驱动器电路设计 19
第4章 软件设计 21
4.1 系统流程图 21
4.1.1 传送带自动操作流程图 21 [来源:http://www.think58.com]
4.1.2 机械臂自动操作流程图 22
4.2 运动控制指令 23
4.3 工艺对象组态 24
第5章 系统调试 27
第6章 结论与展望 31
参考文献 32
致谢 33
附录A 34
附录B 35
附录C 47 [资料来源:http://www.THINK58.com]
上一篇:基于PLC的揭膜机控制系统设计
下一篇:地铁屏蔽门的监控系统设计
