基于单片机的智能小区无线防盗系统的设计

1.无需注册登录,支付后按照提示操作即可获取该资料.
2.资料以网页介绍的为准,下载后不会有水印.资料仅供学习参考之用.
密 惠 保
基于单片机的智能小区无线防盗系统的设计(论文7800字)
摘要
我国近年来随着人口的增长,我国经济规模的增长也越来越快,知识界提高工作水平的工作做得很好,智能产业发展迅速,安全系统从最初的分支机构,专业应用逐渐扩展到社会的各个领域。随着社会的不断发展,人们的生活、工作、生活都离不开家庭的保障,这是构建和谐社会的重要过程。特别是居住小区分散、偏远、条件相对困难,安全形势不容乐观,传统的警卫值班和巡逻等安全管理手段已不能满足新形势下住房的需要。因此,有必要在智能小区内安装安全报警系统,能够及时防范,当出现不安全时。
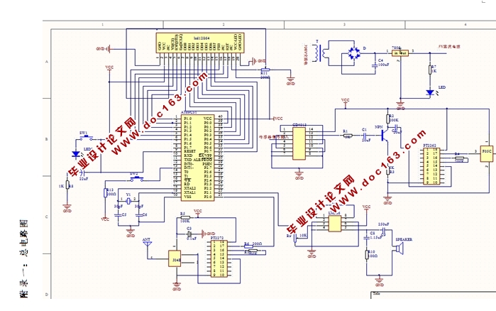
本项目的设计,主要控制了单点技术和无线互联网接入,从而开发出具有网络能力的智能无线小区系统。如果这个项目能成功投产一个居民区,一方面,便利的住宅物业管理部门,从而大大提高了他们的性能,另一方面,为国内消费者提供方便,无线报警系统的设计目的是处理一个问题,主要的编码信号,传输,接收、解码、单片机处理和报警LED显示屏。
关键词:小区防盗系统,无线网络,单片机
[资料来源:http://think58.com]

目录
1绪论 3
1.1 小区无线防盗系统的发展概况及市场竞争力分析 3
1.2 小区无线防盗系统的应用及意义 3
2智能小区无线防盗系统概述 4
2.1 方案选择论证 4
2.2 系统设计要求 5
2.3 系统的工作流程框图 5
3硬件设计部分 5
3.1 原理描述系统功能框图 6
3.2系统各模块设计 7
3.2.1 无线防盗报警信号发射电路 7 [来源:http://www.think58.com]
3.2.2 无线防盗报警信号接收电路 8
3.2.3 电源设计电路 8
3.2.4 单片机系统电路 9
3.2.5 报警设计电路 10
3.2.6 LCD12864显示设计电路 10
3.3 主要芯片功能描述 11
3.3.1 PT2262/2272芯片简介 11
3.3.2 LM386芯片简介 13
3.3.3 门磁传感器简介 14
3.3.4 LCD12864芯片简介 15
4软件设计部分 17
4.1 程序模块简介 17
4.1.1 撤防程序 17
4.1.2 布放程序 18
4.1.3 停电程序 18
5结束语 21
参考文献 22
附录二:源程序 24 [版权所有:http://think58.com]
