基于单片机的电子负载的设计(硬件电路图,主程序)

1.无需注册登录,支付后按照提示操作即可获取该资料.
2.资料以网页介绍的为准,下载后不会有水印.资料仅供学习参考之用.
密 惠 保
基于单片机的电子负载的设计(硬件电路图,主程序)(任务书,开题报告,论文说明书15000字)
摘要
电子负载可以模拟真实环境中的用电元器件,它的原理是控制功率MOS场效应晶体管的导通深度,靠MOS管的耗散功率消耗电能来检测负载电压电流从而检测电源性能。它有四种工作方式:恒流、恒压、恒功率和恒阻。
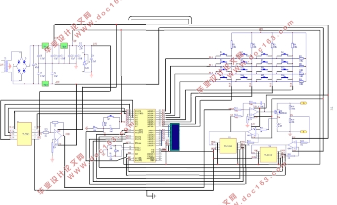
为了达到设计要求,实现设计出软硬件结合的电子负载系统,本设计使用了STC89C52单片机作为控制核心。本电子负载由硬件以及软件两部分组成,硬件部分包括:电源模块、键盘输入模块、单片机控制模块、A/D电流电压采样模块、D/A转换模块、显示器输出等;软件部分包括:电流电压采样程序、键盘输入程序、PI调节器算法、显示器显示程序、D/A转换程序等。
恒流型电子负载是靠PI调节器调控MOS管的导通角来保证电路中电流稳定的。工作方式是:先通过键盘处理程序扫描键盘输入信息输往单片机,同时A/D电流电压采样程序采集采样电阻两端实时电压并传往单片机,单片机中PI调节器将实时电压与设定值相比较,得到控制信号,再将调控信号进行D/A转化,在经过功率放大器放大并传递至MOS管,利用两项比值来控制MOS管的导通量从而使电子负载处于恒流工作模式,最后将采集到的电流电压经过A/D转化,送往显示器显示。
[资料来源:http://www.THINK58.com]
关键词:电子负载 单片机 恒流
Abstract
Electronic load can simulate the real environment of the electricity components, he was the principle of control power MOS field effect transistor conduction depth, by the MOS tube power dissipation power consumption to detect the load voltage and current to detect power performance. It has four working modes: constant current, constant voltage, constant power and constant resistance.
In order to meet the design requirements, to achieve the design of hardware and software combined with the electronic load system, the design uses the STC89C52 microcontroller as the control core.The electronic load consists of hardware and software components of the hardware, including: power module,keyboard input module, microcontroller module, A / D current and voltage sampling module, D / A conversion module, the display output;The software part includes: current and voltage sampling program, keyboard input program,PI regulator algorithm,display program, D / A conversion program.
[资料来源:http://THINK58.com]
Constant current type of electronic load is controlled by the PI regulator MOS tube conduction angle to ensure that the circuit current stability. Work mode is: first through the keyboard processing program to scan the keyboard input information into the microcontroller, while A / D current and voltage sampling program to collect both ends of the sampling resistor real-time voltage and passed to the microcontroller, the PI regulator in the microcontroller will compare the real-time voltage and set value,to get the control signal, and then control the signal D / A conversion, through the power amplifier to amplify and pass to the MOS tube.Using two ratios to control the conduction capacity of the MOS tube so that the electronic load in the constant current mode of operation, and finally the collected current and voltage through the A / D conversion, sent to the display.
Key Words:Electronic Load;Microcontrollers;Constant current
[资料来源:THINK58.com]


目录
第1章 绪论 1
1.1 项目背景及目的 1
1.2 项目意义 1
1.3 国内外研究状况 1
第2章 电子负载系统设计方案 3
2.1 电子负载工作原理 3
2.1.1 恒流(CC)模式 3
[资料来源:http://think58.com]
2.1.2 恒圧(CV)模式 3
2.1.3 恒阻(CR)模式 4
2.1.4 恒功率(CP)模式 4
2.2系统设计要求 4
2.3系统设计方案论证 5
2.4 系统具体设计方案 6
第3章 电子负载硬件系统设计 8
3.1 核心处理器简介 8
3.2显示模块设计 8
3.3 键盘输入模块设计 9
3.4 A/D转换采样电路设计 10
3.4.1 电流采样电路 11
3.4.2 电压采样电路 11
3.5 D/A转换模块设计 12
3.6 负反馈控制模块的设计 13
3.7 保护电路设计 14
3.7.1 过压保护 14
3.7.2 过流保护 15
3.8 电源模块设计 15
第4章 电子负载软件系统设计 17
4.1 D/A转化程序设计 17
4.2 PID算法 19 [版权所有:http://think58.com]
4.2.1 PID算法选择 19
4.2.2 PID参数整定 20
4.3 A/D采样程序设计 22
第5章 系统仿真与调试 24
5.1 硬件仿真与调试 24
5.2软件仿真与测试 24
5.3 软硬件结合仿真调试 25
5.4 仿真结果 26
5.4.1 MATLAB仿真PID算法 26
5.4.2 Proteus仿真软硬件 27
第6章 总结与展望 29
6.1 总结 29
6.2 展望 29
参考文献 31
附录A 硬件电路图 32
附录B 软件主程序 35
致谢 54
