基于STM32单片机的牵引车遥控器及接收器设计(附程序代码)

1.无需注册登录,支付后按照提示操作即可获取该资料.
2.资料以网页介绍的为准,下载后不会有水印.资料仅供学习参考之用.
密 惠 保
基于STM32单片机的牵引车遥控器及接收器设计(附程序代码)(任务书,开题报告,论文13000字,程序代码,PDF原理图)
摘 要
本文主要针对牵引车设计一套基于STM32F1系列单片机的遥控器和接收器,可以完成通过遥控器和接收器之间的收发数据来对牵引车前进、后退、左转及右转等动作进行控制,并且根据需求可以添加更多的功能。其中包括硬件系统的设计和程序代码的编写。
论文主要研究了STM32单片机基本原理和组成结构;串口通信的相关原理;并研究了如何对STM32单片机通过代码的设计来进行串口通信。
最后的结果表明了对STM32单片机和串口通信的相关研究无错误,成功的实现要求的相关功能并通过预留了多余的I/O能够根据需求添加更多的功能。
本文的特色:与传统的红外遥控器相比,本文通过设计了一个系统进行无线串口通信可以根据需求实现更多的功能,可以自定义数据格式,并且遥控距离远且信号稳定,适用于工业场合。
关键词:牵引车;遥控器;接收器;STM32;串口通信
Abstract
This article mainly designs a set of remote controllers and receivers based on the STM32F1 series of single-chip microcomputers for tractors. It can complete control forward, backward, turn left and turn rightof the tractors by sending and receiving data between the remotecontroller and the receiver. and can add more functions according to the demand. Including the design of the hardware system and the preparation of program code. [来源:http://www.think58.com]
The thesis mainly researches the basic principle and compositionof STM32 MCU and the related principles of serial communication. It also studies how to design serial communication for STM32 MCU through code design.
The final result shows that there is no error in the related research of STM32 MCU and serial port communication. The successful implementation of the relatedfunctions requires that more functions can be added according torequirements by reserving redundant I/O.
This article features: Compared with traditional infraredremote control, this article designed a system for wireless serial communication can be achieved according to the needs of more functions, you can customize the data format, and remote control distance and signal stability, suitable for industrial applications
Key Words:Tractor; Remote control;Receiver;STM32;Serial communication
研究的目的和意义
本设计所设计的牵引车遥控器和接收器是用于在火车检修时拖动火车的牵引车上,通过遥控器发送的无线信号对接收器进行控制,接收器收到无线信号后应产生开关量信号来对继电器进行控制以控制牵引车的前进、后退、左转、右转等动作。 [资料来源:www.THINK58.com]
在牵引车上遥控装置应该做到操作简单,响应快,稳定性高,特殊编码,遥控距离远等特点,这些要求就需要设计符合要求的遥控器和接收器。首先,由于红外遥控的遥控距离小,所以不能用在牵引车上;虽然无线电遥控器符合设计要求,但是由于其场合特殊,所以还需要对其进行进一步的设计才能满足设计要求。本设计的目的就是使牵引车能够安全、稳定、快速的响应遥控器的指令,这有助于提高列车检修时的效率和安全。
[资料来源:http://think58.com]




[来源:http://www.think58.com]
目录
第1章 绪论 1
1.1国内外研究现状 1
1.2研究的目的和意义 1
1.2研究的内容及方案 1
1.3研究的预期目标 3
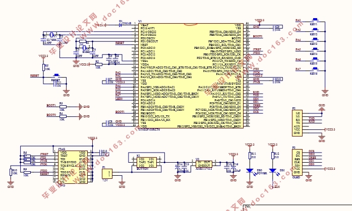
第2章 遥控器和接收器的硬件系统设计 4
2.1 MCU的选型 5
2.2 最小系统的设计 6
2.2.1电源电路 6
2.2.2 复位电路 7
2.2.3 时钟电路 8
2.2.4 调试接口电路 8
2.2.5 启动模式电路 9
2.3 通信系统的设计 10
2.3.1 串口通信的基本原理 10
2.3.2 无线通信模块的原理及配置 11
2.3.3 通信电路的设计 14
2.4 显示系统的设计 15
2.4.1 显示模块的选型 15
2.4.2 OLED介绍 15
2.4.3 OLED显示模块介绍 15
2.4.4 显示电路的设计 17 [版权所有:http://think58.com]
2.5 发射板电路设计 18
2.6 接收板电路设计 20
第3章 遥控器和接收器的软件设计 22
3.1 串口的配置 22
3.2 按键扫描程序 25
3.3 OLED显示程序 26
3.4 继电器控制程序 27
3.5 总体程序流程 28
第4章 总结与展望 31
4.1 全文总结 31
4.2 展望 31
致谢 32
参考文献 33
附录A 遥控器原理图 34
附录B 接收器原理图 35
附录C 遥控器软件主程序 36
附录D 接收器软件主程序 42 [来源:http://www.think58.com]
